SHEAR GATES

TROY VALVE

TROY VALVE

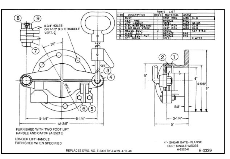
4″-30″ Shear Gates with Handle

Southwest Valve and Equipment logo
Powered by
©2025 Southwest Valve &  Equipment All Rights Reserved.